Model
- Return to bike

Pegasus 300 Euro 5 (TR300T-P-E5)

Ref
Code
Part Name
Qty
Price
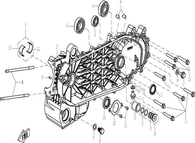
1
STDCH034
Cylinder Head Stud M8 x 172mm
STDCH034
1
£7.99 £6.39
View
7, 7
BSH200
Crankshaft Bushes
BSH200
1
£266.99 £213.59
View
8, 9
SMPP016
Sump Plug
SMPP016
1
£3.49 £2.79
View
100
GSKCC018
Crankcase Gasket Centre
GSKCC018
1
£6.49 £5.19
View
101
GSKDB011
Drive Belt Cover Gasket
GSKDB011
1
£7.49 £5.99
View